Набралась некая информация по теме:
Параметры китайских 1,25″ диагоналей
| Название | Качество | Точность поверхности / Коэффициент отражения | Длина хода луча | Световой диаметр |
|---|---|---|---|---|
| Svbony, SV188P, диэлектрик, 90° | [5] | 0.5λ-1λ / 95%+ | 78 мм | 28 мм |
| Svbony, SV188, 90° | [5-] | 0.5λ-1λ / 89% | 78 мм | 28 мм |
| Celestron, 45° оборачивающая призма | [3] | недостаточная / 90% | 93 мм по расчёту: (3.04*20.5/1.52)+37+7+7 = 92 мм | 20 мм |
| Celestron, 90° оборачивающая призма | [3+] | немного недостаточная / 90% | 70 мм по расчёту: (1.732*22/1.52)+32+7+7 = 71 мм | 22 мм |
| Angeleyes/подделка, 90° | [2] | ~10λ / 89% зеркало похоже из оконного стекла; было заменено на Ньютоновскую диагоналку 35мм | 73 мм (после замены) | 28 мм |
| Celestron 94115-A 90° простая призма | [5] | 64 мм по расчёту: (1*33/1.52)+32.4+4.4+4.4 = 63 мм | 28 мм |
Работа призменных диагоналей с разными типами рефракторов
Известно, что призма (как и плоскопараллельная пластина) в сходящемся пучке сдвигает хромокоррекцию вверх и добавляет немного сферической аберрации. Но есть ещё и небольшие нюансы с разными типами рефракторов.
Параметры апо взяты с telescope-optics.net (1, 2) , ахромат посчитан по формулам из Максутова, Астрономическая оптика, стр. 224.1 Файлы zmx: samples.zip
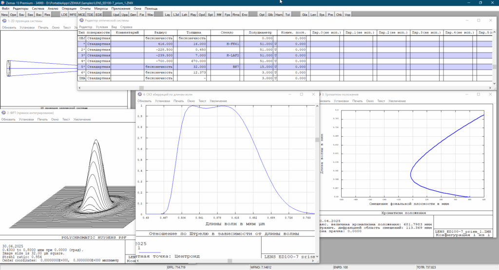
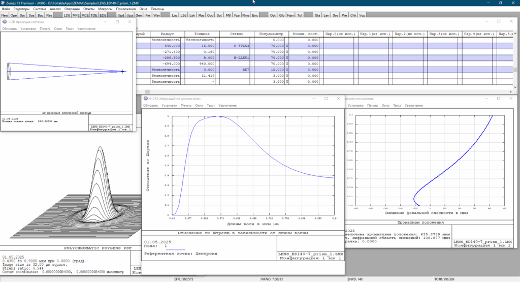
Частотный диапазон на графиках различный, увеличиваясь от ахромата к апо. Призма — 32 мм стекла.
Ахромат и ED FPL51
С ахроматом и дублетом на FPL51 хромокоррекция просто аккуратно сдвигается на 10-20нм вверх. И добавляется немного сферической аберрации, поднимающей правое «плечо» на графике.
Если ахромат был с коррекцией ниже стандартной2, что иногда встречается (такое даёт слабые фиолетовые ореолы без синего), то призма даже улучшит суммарный полиштрель.




ED FPL53
А здесь поведение отличается. Если нижний край, как и раньше, только немного передвигается, то на верхнем — в ближнем ИК — полиштрель заметно возрастает, что в принципе может быть полезно для фото.


Апо триплет
Тут ничего интересного. Триплет и так хорош и призма только немного ухудшает картину по краям диапазона.


- В формуле для d1 (толщины первой линзы) есть опечатка — там должно быть относительное отверстие, а не обратная величина. Опечатка, кстати перекочевала в книжку Михельсона ↩︎
- Вероятно китайцы при масс. производстве экономят на контроле внешних радиусов линз. Их небольшое уменьшение приводит к сдвигу хромокоррекции вниз и наоборот. Вряд ли это что-то другое — при изменении внутренних радиусов сильно уходит коррекция сферической (т.к. они должны быть близки), параметры стекла на это влияют слабо, как и асферика линз (т.е. завал края). ↩︎